Aluminum Profiles and Accessories
Strut Profile
PG-15
PG-30
PG-40
PG-45
PG-50
Angle Profile
Nuts & Bolts
Levelling Base
Consult with our representative
+91 98904 88859
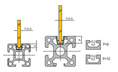
T Slot Reducing Profile

To reduce slot width for panel installation.
Material & colour: Black PVC



| Description | Mass (g) | Delivery Length | Part No |
|---|---|---|---|
| T Slot Reducing Profile-8 (SW) | 51 | 2000mm/bar | 6.11.08.SW |
| Description | Mass (g) | Delivery Length | Part No |
|---|---|---|---|
| T Slot Reducing Profile-10 (SW) | 65 | 2000mm/bar | 6.11.10.SW |




