Aluminum Profiles and Accessories
Strut Profile
PG-15
PG-30
PG-40
PG-45
PG-50
Angle Profile
Nuts & Bolts
Levelling Base
Consult with our representative
+91 98904 88859
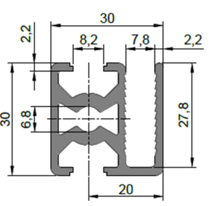
Protective Grille Profile PG30

Protective Grille Profile which is used to produce the professional machine guard and enclosure system, have the same feature size with the corresponding strut profile.

| Description | Mass (kg/m) | Part No |
|---|---|---|
| Protective Grille Profile PG30 30×30 1 slot Grille slot (SW) | 0.943 | 1.22.30.030030.01.SW |
