Aluminum Profiles and Accessories
Strut Profile
PG-15
PG-30
PG-40
PG-45
PG-50
Angle Profile
Nuts & Bolts
Levelling Base
Consult with our representative
+91 98904 88859
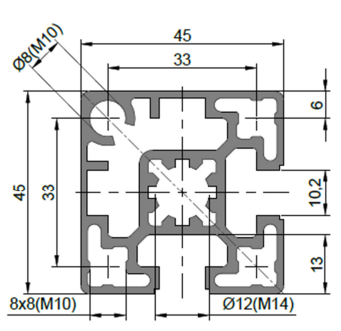
Strut Profile PG45 – 45X45 A

Strut Profile PG45 featuring 10mm T-slot is designed for constructing Heavy weight assemblies such as machine structure frame and workshop partition etc.

| Description | Mass (kg/m) | Part No |
|---|---|---|
| Strut Profile PG45 45×45 2 slots Type A (SW ) | 1.791 | 1.11.45.045045.02A.SW |
