Aluminum Profiles and Accessories
Strut Profile
PG-15
PG-30
PG-40
PG-45
PG-50
Angle Profile
Nuts & Bolts
Levelling Base
Consult with our representative
+91 98904 88859
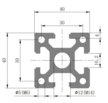
Strut Profile PG40 – 40x40XH

Strut Profile PG40 featuring 10mm T-slot is designed for constructing Heavy weight assemblies.

| Description | Mass (kg/m) | Part No |
|---|---|---|
| Strut Profile PG40 40×40 4 slots Extra Heavy (SW) | 1.96 | 1.11.40.040040.04XH.SW |




