Aluminum Profiles and Accessories

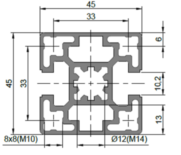
Strut Profile PG45 – 45X45 B

Strut Profile PG45 featuring 10mm T-slot is designed for constructing Heavy weight assemblies such as machine structure frame and workshop partition etc.

Description Mass (kg/m) Part No
Strut Profile PG45 45×45 2 slots Type B (SW) 1.83 1.11.45.045045.02B.SW