Aluminum Profiles and Accessories
Strut Profile
PG-15
PG-30
PG-40
PG-45
PG-50
Angle Profile
Nuts & Bolts
Levelling Base
Consult with our representative
+91 98904 88859
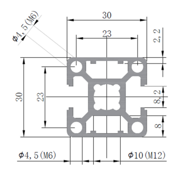
Strut Profile PG30 – 30×30 B

Strut Profile PG30 featuring 8mm T-slot is designed for constructing
heavy weight assemblies.

| Description | Mass (kg/m) | Part No |
|---|---|---|
| Strut Profile PG30 30×30 2slots Type B (SW) | 0.902 | 1.11.30.030030.02B.ECO.SW |




